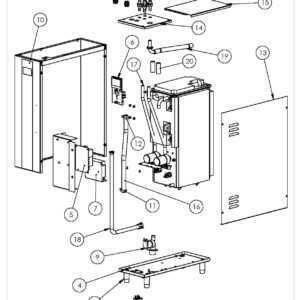
Single serve commercial coffee machine for precise, by-the-cup speciality coffee service. Automates pour-over filter coffee brewing. Contains one white heads and undercounter 4L boiler, does not include brewing devices or filters.
Please note: this product currently has an 8-10 week lead time.








