| Topic: JET6,
Touchscreen software update Revision 1.5, with upgraded PCB Revision 2.2 (P/N1600202K) |
TB No.: 10046 | Date: Aug2017 | |
| Affected Machines: | JET6 | Priority: Medium | Created By: Gareth Fitzpatrick |
| From Serial No.: | <0717…..(First 4 digits) | Created For: | Upgrade Instruction |
| From Date: | July 2017 | Pages: 1/6 | |
|
OVERVIEW |
The following update is a chargeable optional upgrade in the event of failure of the touchscreen or PCB. It is not a compulsory upgrade.
The attached kit is a replacement/ upgrade for the touchscreen/PCB software.
The upgrade will contain the following benefits/ features
- Robust Display screen, no issues with SD card memory.
- New features of the display include:
- Dilution setting. Feature to allow a % of coffee dilution by mixing water to coffee ratio.
- New software will incorporate a Low water pressure warning when insufficient supply to machine.
- No SD CARD memory.
Please note the working PCB board removed Marco P/N 1600201 should be packaged and returned to Marco to receive a full refund for this part. You will be charged for both parts 1600202C & 1600201 as below but will be refunded the PCB board price 1600201 once returned in working order. Please use the BOX provided for safe return.
|
UPDATE |
Touchscreen & PCB contents (P/N1600202K)
- Touchscreen software version 1.5(1600202C)
- 16 pin ribbon cord.(1501183)
- PCB with software revision 2.2(1600201)
- (1501093)
|
Procedure |
The following procedure should be carried out by trained personal.
Replace the New main PCB & touchscreen. (1600202K)
- Before powering down the machine record the current settings in the Menu specific to that customer. Temp, ratio, Mode, Power setting etc….
- Plug out the Jet 6 from mains supply.
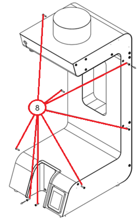
- Remove two securing screws in the drip tray as illustrated in Fig 1.0
- Remove the front s/s panel by locating and removing the 6 securing screws as illustrated in Fig 1.0 (8 screws in total, 6 side and 2 in the drip tray.)
- Remove the earth cable attached to the front panel located bottom left side as per Fig 2.0.
- Remove the touchscreen by removing the 4 securing screws, Fig 3.0
- Insert the new touchscreen ensuring correct way up, Fig 3.0. The SD card slot should be facing outward.
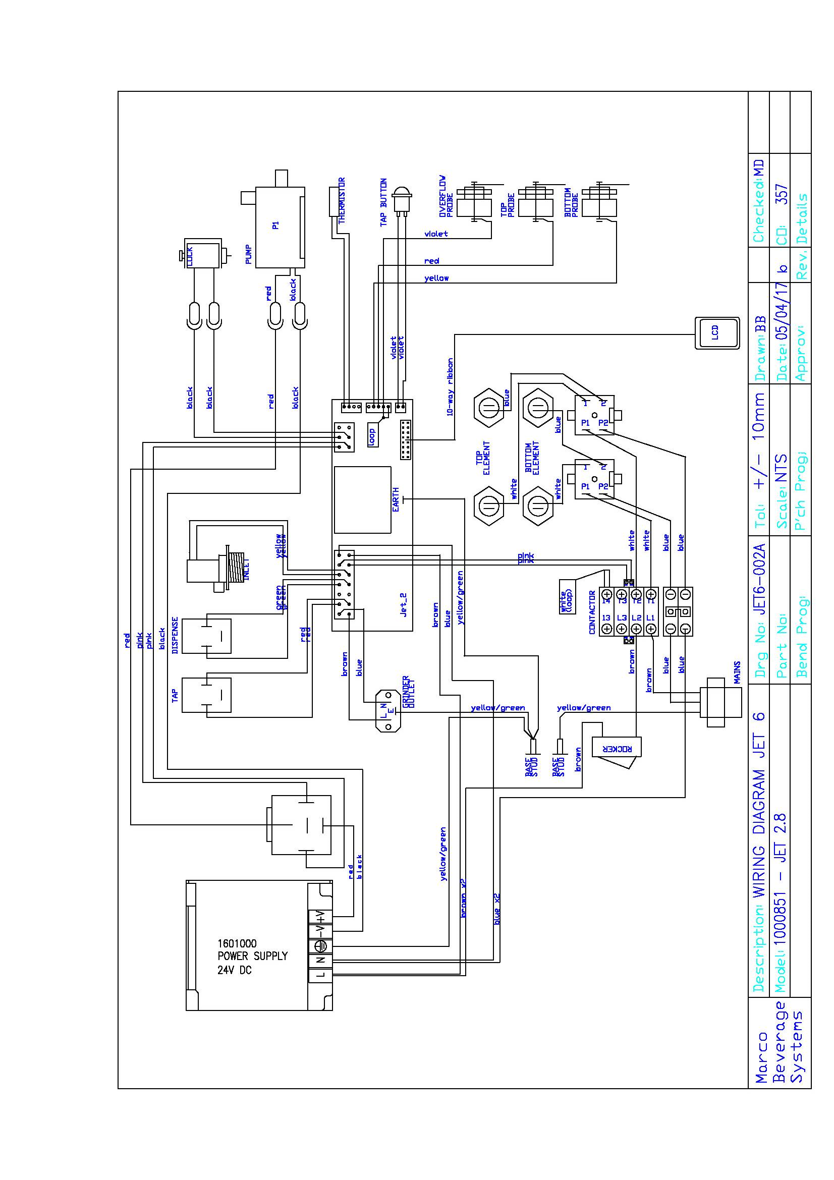
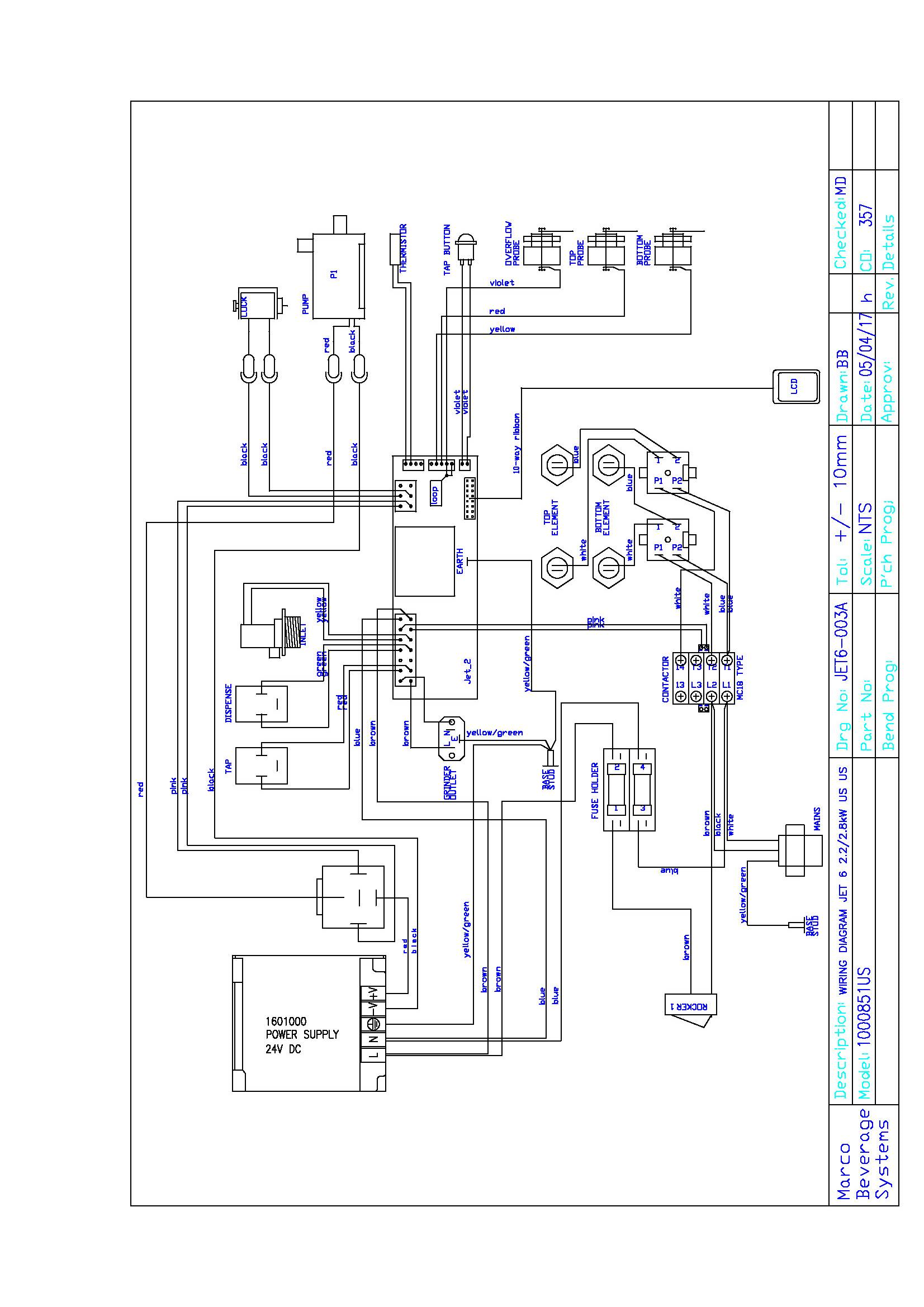
- Remove the main PCB board cords and cables (Take a photo of the arrangement if unsure how to reinsert). Wiring diagram included, Fig 5.0 for EU & Fig 6.0 for USA(2 parts)
- Remove the PCB board by pinching the 6 securing clips (fig 4.0).
- Locate the new PCB board onto the 6 plastic mounting clips and reinsert the cables/ cord into the correct locations.(Use the photo previously taken if unsure) Make sure the battery is inserted into new main PCB board. See fig 3.0 for battery location.
- For specific wiring diagram please reference the “Service manual Aug 2017 – Jet 6”
- Connect the 16 pin ribbon provided in the kit to the main PCB board and the new touchscreen. The ribbon must be inserted the correct way on the board. Locate the slot on the 16 pin connector and the PCB and pair them the same way!
Last step is to reassemble the front panel back onto the machine:
- Ensure all cables are correctly inserted into the main PCB board and relocate the S/S panel back on the machine ensuring the earth cable is re-inserted to the front panel, fig 2.0.
- Now insert the ribbon cable 16 pin onto the new Touchscreen, again ensure the orientation is correct. See Fig 3.0.
- Secure all 6 screws once housed correctly on the machine as per fig 1.0.
- Relocate the drip tray recess and secure with the two screws as per fig 1.0.
- Plug back in the machine and the new software will display Jet 6 1.5 LCD followed by version 2.2. Upgrade is successfully complete.
- Reprogram the machine with the saved settings as per the first step.
- Perform a water calibration.
- Perform a Grinder calibration if Grinder fitted.
- Machine is now ready for use.
Fig 1.0 Fig 2.0
Fig 3.0
Fig 4.0
Appendix – Wiring diagram – Jet 6 2.8kw P/N:1000851 EU
Appendix – Wiring diagram – Jet 6 2.8kw P/N:1000851 US






